info@mehprivod.ru
ООО Мехтехника
Тел.: 8 (800) 505-36-88

Редукторы червячные одноступенчатые Ч-80, Ч-100, Ч-125, Ч-160

Редукторы червячные одноступенчатые Ч-80, Ч-100, Ч-125, Ч-160

Ряд червячных редукторов Ч-80, Ч-100, Ч-125, Ч-160 обеспечивает крутящие моменты на тихоходном валу 85—2000 Н-м в диапазоне передаточных чисел 8—80. Корпусные детали червячных редукторов для улучшения отвода тепла снабжаются ребрами, которые охлаждаются посредством вентилятора. Вентилятор одет на второй конец входного вала и защищен специальным кожухом. Редукторы допускают кратковременные перегрузки, в 2 раза превышающие номинальные и возникающие во время пусков и остановок двигателя. Геометрические параметры зацепления цилиндрической червячной пары с эвольвентным червяком приняты по ГОСТ 2144—76, исходный червяк — по СТ СЭВ 266—76. Выходные концы червячных валов конические по ГОСТ 12081—72. По требованию заказчика возможна установка цилиндрического выходного вала.  Редукторы могут работать при шести различных расположениях червячной пары в пространстве. В зависимости от взаимного расположения выходных концов валов редукторы изготовляются по вариантам сборки 51, 52, 53 и 56 в соответствии с ГОСТ 20373—74. Уровень масла контролируют стержневым маслоуказателем, одновременно выполняющим роль отдушины, или пробкой. Роль отдушины в больших редукторах выполняет пробка, расположенная в верхней части корпуса; через верхнее отверстие, закрываемое этой пробкой, заливают масло.

Цена: от 12 300 руб.

Скачать прайс: xls zip

Базовые условия использования червячного редуктора:

  • Червячный редуктор рассчитан на использование в условиях постоянный и переменной нагрузки, характер нагрузки – одного направления/реверсивная;
  • В зависимости от условий использования выбирается и режим работы редуктора: постоянный или с периодическими остановками; 
  • Температурные условия среды: от -40°С до +50°С; среда неагрессивная, невзрывоопасная;
  • Вал устройства вращается в оба направления.

Общее описание:

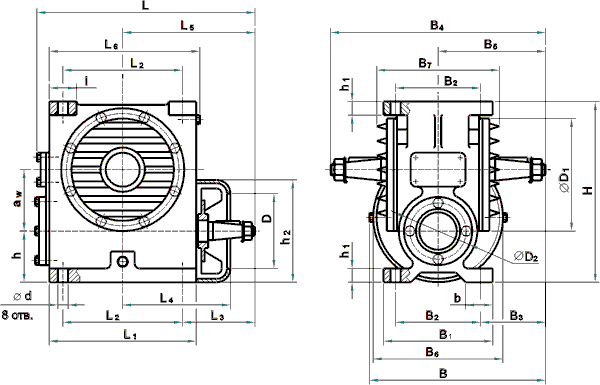
Габаритные и присоединительные размеры Ч-100 - Ч160

Габаритные и присоединительные размеры Ч-100 - Ч160

Габаритные и присоединительные размеры Ч-100 - Ч160

Габаритные и присоединительные размеры Ч100-160

РИС 1. Габаритные и присоединительные размеры

Технические характеристики червячного редуктора Ч-100 - Ч160

Обознач. размеров Тип редуктора Обознач. размеров Тип редуктора
Ч-100 Ч-125 Ч-160 Ч-100 Ч-125 Ч-160
aw 100 125 160 h1 18 22 30
L 373 437 551 h2 179 217 271
L1 240 275 350 D 140 165 100
L2 200 230 300 D1 220 275 340
L3 125 146 195 D2 150 170 210
L4 177 210 245 B 341 363 434
L5 225 261 345 B1 175 230 280
L6 257 290 373 B2 140 190 230
1 40 45 70 В3 155 135 165
d 19 19 22 В4 450 460 560
b 45 60 70 B5 225 230 280
Н 312 396 500 В6 218 246 286
h 100 111 140 В7 217 242 278

Примечание: Редукторы червячные Ч100 – Ч160 по умолчанию комплектуются коническими входными/выходными валами. Возможно также цилиндрическое исполнение входного/выходного вала, подробности такой модификации уточняются в ходе оформления заказа.

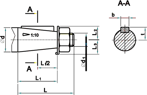
Тип Выходные концы валов L L 1 L2 L3 b d d1 t m
Ч-100 конические Вал быстроходный 80 58 24 18 6 32 M20xl,5-8g 17,05 -
Ч-125 80 58 24 18 6 32 M20xl,5-8g 17,05 -
Ч-160 110 82 28 20 10 40 M24x2- 8g 20,95 -
Ч-100 Вал тихоходный 110 82 32 25 12 45 М30х2- 8g 23,45 -
Ч-125 110 82 38 30 14 55 МЗбх3 -8g 28,95 -
Ч-160 140 105 50 40 18 70 М48х3- 8g 36,38 -
Ч-100 цилиндрические Вал быстроходный 80 - - - 10 32 - 35 -
Ч-125 80 - - - 10 32 - 35 -
Ч-160 110 - - - 12 40 - 43 -
Ч-100 Вал тихоходный 110 - - - 14 45 - 48,5 -
Ч-125 110 - - - 16 55 - 59 -
Ч-160 140 - - - 20 70 - 74,5 -
Ч-100 Вал полый шлицевой 205 90 57.5 - - 45 46   2
Ч-125 230 110 60 - - 55 60   2,5
Ч-160 275 130 72.5 - - 70 72   2,5

ТАБЛ 1. Габаритные и присоединительные размеры

Вариант сборки редукторов и расположения червячной пары

U ном. Ч-100 Ч-125 Ч-160
U фак. 1500 мин.-1 1000 мин.-1 750 мин.-1 U фак. 1500 мин.-1 1000 мин.-1 750 мин.-1 U фак. 1500 мин -1 1000 мин.-1 750 мин.-1
Мт Н.м ? Мт Н.м ? Мт Н.м ? Мт Н.м ? Мт Н.м ? Мт Н.м ? Мт Н.м ? Мт Н.м ? Мт Н.м ?
8 7,75 380 0,93 426 0,92 477 0,91 8 659 0,93 758 0,92 826 0,91 8 1250 0,94 1400 0,93 1567 0,92
10 10 367 0,93 410 0,91 460 0,90 10 636 0,93 712 0,92 800 0,91 10,5 1153 0,93 1294 0,92 1450 0,91
12,5 12 374 0,92 420 0,90 470 0,89 13 626 0,92 700 0,91 785 0,89 13 1150 0,93 1290 0,91 1440 0,90
16 15,5 392 0,89 440 0,87 492 0,85 16 676 0,89 757 0,87 850 0,86 16 1390 0,91 1557 0,89 1743 0,88
20 20 389 0,87 414 0,85 464 0,83 20 653 0,88 730 0,86 820 0,84 21 1150 0,88 1290 0,86 1442 0,84
25 24 372 0,87 417 0,84 466 0,83 25 616 0,87 690 0,84 772 0,82 26 1110 0,87 1243 0,85 1392 0,83
31,5 31 400 0,70 448 0,66 500 0,63 32 800 0,81 890 0,78 1000 0,75 32 1600 0,83 1790 0,82 2000 0,79
40 40 387 0,78 433 0,74 485 0,71 40 692 0,79 715 0,76 870 0,73 42 1244 0,79 1360 0,76 1522 0,73
50 48 389 0,77 436 0,73 488 0,71 52 640 0,77 717 0,73 803 0,70 52 1168 0,73 1310 0,74 1465 0,71
63 64 313 0,69 350 0,64 396 0,60 60 610 0,76 683 0,71 765 0,68 66 1033 0,74 1157 0,70 1295 0,66
80 84 292 0,69 327 0,61 366 0,58 84 525 0,69 590 0,63 660 0,60 78 1092 0,74 1223 0,69 1370 0,64
Консольная нагрузка Рб; Н 800 1200 1600
Рт; Н 5500 8000 11000
Уровень звука ДБА 80 80 80
Масса кг 57 (44) 88 157

где:

  • U ном; U фак.- значения номинального и фактического передаточного числа;
  • 1500мин-1; 1000мин-1; 750мин-1- величина частоты вращения вала;
  • Мт – максимально допускаемый крутящий момент, Н•м;
  • ? – КПД;
  • Рб – консольная нагрузка, которая приходится на середину шейки быстроходного вала, Н;
  • Рт – консольная нагрузка, которая приходится на середину шейки тихоходного вала, Н;
  • В скобках приведена масса редуктора, заключенного в алюминиевый корпус.

Пример условного обозначения редуктора в заказе:

Редуктор Ч-100-40-51-У3-В или Ч-160-20-52-Т, где:

  • Ч — тип редуктора;
  • 100 и 160 — межосевое расстояние, мм.;
  • 40 и 20 — номинально передаточное число;
  • 51 и 52 — вариант исполнения сборки;
  • У3 и Т — климатическое исполнение и категория размещения;
  • В — поставка редуктора с вентилятором (для режима работы — 1)